Jiawo Electromechanical series
A manufacturer and exporter specializing in the production of high pressure cleaning machines and motors.

H100-200

Frame with foot end shield with f1ange(B35)

For more information, please send an email or call our hotline

jiawofanny@outlook.com

Product description

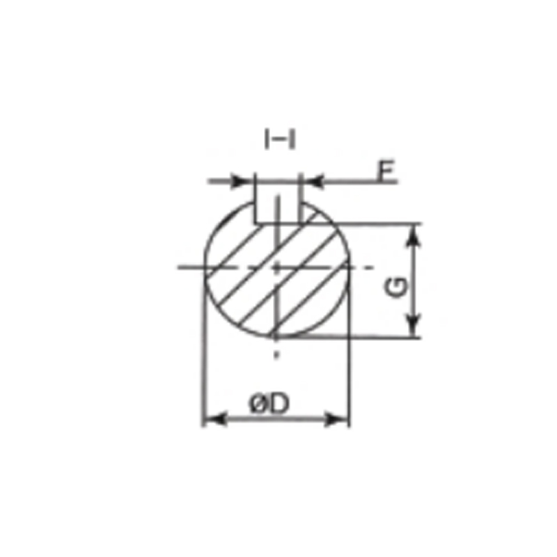
FramePloesMounting dimension(mm)Overall dimensions(mm)
AA/2BCHKDEFGMNPRSTHolesABACADHDL
80M2.412562.51005080101940615.51651752000123.54165175145220305
90S2.4.6140701005690102450820165205200123.54180205170265395
90L2.4.6140701255690102450820165205200123.54180205170265425
100L2.4.6.816080140631001228608242152152501544205215180270435
112M2.4.6.819095140701121228608242152552501544230255200310475
132S2.4.6.82161081408913212388010332653103001544270310230365535
132M2.4.6.82161081788913212388010332653103001544270310230365550
160M2.4.6.825412721010816014.54211012373002503501954320340260425730
160L2.4.6.825412725410816014.54211012373002503501954320340260425760
180M2.4279139.524112118014.5481101442.53002503501954355390285460805
180L4.6.8279139.527912118014.5481101442.53002503501954355390285460835
200L2.4.6.831815930513320018.55511016493503004001954395445320520890
225S4.835617828614922518.56014018534003504501958435495350575865
225M235617831114922518.55511016494003504501958435495350575865
4.6.835617831114922518.56014018534003504501958435495350575895
250M2406203349168250246014018535004505501958490550390635995
4.6.8406203349168250246514018585004505501958490550390635995
280S2457228.53681902802465140185850045055019585506304357051030
4.6.8457228.536819028024751402067.550045055019585506304357051030
280M2457228.54191902802465140185850045055019585506304357051080
4.6.8457228.541919028024751402067.550045055019585506304357051080
315S25082544062163152865140185860055066024686356455308451180
4.6.85082544062163152880170227160055066024686356455308451290
315M25082544572163152865140185860055066024686356455308451210
4.6.85082544572163152880170227160055066024686356455308451320
315L25082545082163152865140185860055066024686356455308451210
4.6.85082545082163152880170227160055066024686356455308451320
355M261030556025435528751402067.5740680800246873071065510101500
4.6.861030556025435528951702586740680800246873071065510101530
355L261030563025435528751402067.5740680800246873071065510101500
4.6.861030563025435528951702586740680800246873071065510101530
3551
3552
3553
263031580022435535801702271840780900246876090076011301870
4.6.86303158002243553511021028100840780900246876090076011301920


go back

Tel:13566449999

E-mail:jiawofanny@outlook.com

Add:No.318,Chenguang Road,East New District,Wenling city,Taizhou city ,Zhejiang province,China

Manufacturer and exporter specializing in high pressure cleaners and motors

Focus on us for more dynamics 二維碼

copyright Taizhou Jiawo Electromechanical Co.,Ltd  網站地圖 Technical support: tzzhexing.com