Frame without foot end shield with flange(B5)
For more information, please send an email or call our hotline
 
            Frame without foot end shield with flange(B5)
For more information, please send an email or call our hotline
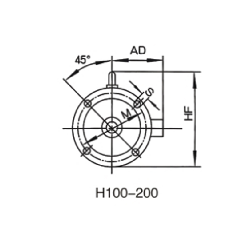
| Frame | Ploes | D | E | F | G | M | N | P | R | S | T | Holes | AC | AD | HF | L | 
| 80M | 2.4 | 19 | 40 | 6 | 15.5 | 165 | 130 | 200 | 0 | 12 | 3.5 | 4 | 175 | 145 | 185 | 395 | 
| 90S | 2.4.6 | 24 | 50 | 8 | 20 | 195 | 155 | 1958 | 420 | |||||||
| 90L | 445 | |||||||||||||||
| 100L | 2.4.6.8 | 28 | 60 | 24 | 215 | 180 | 250 | 14.5 | 4 | 215 | 180 | 245 | 480 | |||
| 112M | 240 | 190 | 265 | 500 | ||||||||||||
| 132S | 38 | 80 | 10 | 33 | 265 | 230 | 300 | 275 | 210 | 315 | 600 | |||||
| 132M | 640 | |||||||||||||||
| 160M | 2.4.6.8.10 | 42 | 110 | 12 | 37 | 300 | 250 | 350 | 18.5 | 5 | 330 | 255 | 385 | 750 | ||
| 160L | 800 | |||||||||||||||
| 180M | 48 | 14 | 42.5 | 380 | 280 | 430 | 830 | |||||||||
| 180L | 870 | |||||||||||||||
| 200L | 55 | 16 | 49 | 350 | 300 | 400 | 420 | 305 | 480 | 920 | ||||||
| 225S | 4.6.8.10 | 60 | 140 | 18 | 53 | 400 | 350 | 450 | 8 | 470 | 335 | 535 | 940 | |||
| 225M | 2 | 55 | 110 | 16 | 49 | 940 | ||||||||||
| 4.6.8.10 | 60 | 140 | 18 | 53 | 965 | |||||||||||
| 250M | 2 | 500 | 450 | 550 | 510 | 370 | 595 | 1075 | ||||||||
| 4.6.8.10 | 65 | 58 | ||||||||||||||
| 280S | 2 | 580 | 410 | 650 | 1170 | |||||||||||
| 4.6.8.10 | 75 | 20 | 67.5 | |||||||||||||
| 280M | 2 | 65 | 18 | 58 | 1220 | |||||||||||
| 4.6.8.10 | 75 | 20 | 67.5 |